新能源汽车解决方案的简介
在碳中和的时代大背景下,新能源汽车能够在交通领域优化能源结构,降低石化能源的消耗,减少碳排放,全球新能源汽车已然进入快速发展期。
随着新能源汽车电池技术的不断创新、储能技术的快速发展,新能源汽车整体产业链都需要更高精度智能化显微镜以完成快速研发、失效分析、质量检验等流程。
徕卡显微系统从硬件到软件提供完整的前沿显微观察分析解决方案,助力中国新能源汽车行业发展!
四个特点:

这里是文本的内容
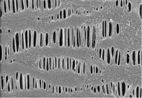
徕卡 DM2700M金相显微镜结合LAS X软件,在常规明场下观察电极片截面切片,并进行厚度测量。软件中多种测量工具,可以帮助我们快速高效的进行测量分析。
利用徕卡电镜制样产品TXP机械精研一体机与TIC3X三离子束切割研磨仪对锂电池电极进行样品的断面进行无应力制备,可以不损伤原始结构,更可配置冷冻台进一步保护温度敏感材料如高分子隔膜样品。从而可以从研发阶段开始到量产,再到失效分析等各环节进行抽检以研究电池微观结构对于性能的影响。
这里是文本的内容
智能化是新能源汽车发展的确定趋势,比如不同的智能泊车系统,智能驾驶系统,智能安全系统等等。电控系统是车辆的“神经系统”,控制车辆的运行能力,电控系统越强大,车辆的控制和行驶能力越出色。而新能源汽车的电控系统,相较传统燃油车,更加的复杂,也更加的强大。各种各样不同的电子元器件是组成电控系统的主要部分,比如PCBA、显示面板、半导体器件等等。为提高电控系统的效率和可靠性,需要对各部分电子元器件进行严格的质量管控,而光学显微镜在其中扮演着重要角色,帮助相关的研发生产人员进行缺陷检测、优化研发工艺等,比如利用大平台显微镜进行芯片缺陷检测,金相显微镜进行器件内部结构分析等等。
蓝宝石Al2O3,SiC,主要是在这两种材料上生长出来的一层结构复杂的薄膜GaN(Si,ZnO还处于研发阶段)
徕卡专门为大尺寸晶圆、屏幕等设计,独特的大尺寸载物台、多种照明方式,独特的宏观物镜等,可满足不同尺寸试样,不同尺寸维度的观察。
这里是文本的内容
通过徕卡专业金相显微镜观察电机转子的无取向硅钢片、电机壳体的铝材和定子铜线绕线,分析微观形貌,从而来确定其加工后的合格率等。这些对材料性能的分析与管控都可以帮助提高电机的转矩和效率,从而提升电机的性能。光学显微镜对于轴的脱碳观察,结合LAS X金相分析模块,可以对轴的脱碳情况自动分析,在实验室阶段帮助进行失效判断。DVM6超景深显微镜可以清晰记录单片硅钢片表面结构,对转子表面结构进行3D测量与分析。结合LAS X清洁度专家可以对电机零部件进行清洁度分析,确保电机运行时的稳定性。
这里是文本的内容
徕卡新能源汽车解决方案
体视显微镜
简单直接。用途广泛。值得信赖。Ivesta 3系列格林诺夫体视显微镜,通过全新Enersight软件平台,您可以优化目视检查和分析流程,同时获得可靠、一致的结果。